IoT CoreDevice ManagementIndustrial IoT KitAddons and Sensors
Power Meter
Power Meter
Target Asset and features
- Enhance the monitoring capabilities of any Edge IoT Kit by incorporating the Power Analyzer IoT Kit, enabling the acquisition of advanced electric parameters such as power factor (cosphy) and active/passive power analysis.
The Kit Include:
- 1 x EXP SER
- 1 x Schneider PM3250 Power Analyzer
- 3 x 500 AMP PM3250 dedicated power clamps
General Hardware Characteristics
EXP-SER

The EXP-SER expansion board allows your application to communicate over RS485, RS232 and CAN interfaces.
- CAN: The board uses the MCP2518FD IC, It is an External CAN FD Controller. The board also uses NCV7357 as a CAN FD Transceiver. Connections between the controller and the transceiver are digitally isolated by the ISO7763 IC.
- RS232 interface: The board uses the MAX3232 IC, 3-V to 5.5-V Multichannel RS-232 Line Driver/Receiver. The output pins of the IC are directly connected to the header P1.
- RS485 interface: The board uses SN65HVD1786D RS485 Transceiver. The output pins of the IC are directly connected to the header P2.
IMPORTANT: RS232 and RS485 peripherals refer to the same hardware serial interface. RS232 and RS485 cannot be used together at the same time.
IMPORTANT: RS232 and RS485 use also the same signal for:
- RS232 → Ready-To-Send (RTS);
- RS485 → Receive/Transmit Enable signal.
PM3250
Overview
| Name | Description |
|---|---|
| Type of measurement | Active and reactive power Apparent power Current Voltage Energy Power factor Frequency Total current harmonic distortion THD (I) Total voltage harmonic distortion THD (U) |
| Supply Voltage | 100...277 V AC 45...65 Hz 173...480 V AC 45...65 Hz 100...300 V DC |
| Network Frequency | 60 Hz 50 Hz |
| [In] rated current | 5 A 1 A |
| Type of Network | 1P + N 3P 3P + N |
| Measurement current | 0.02…1.2 A 0.05…6 A |
| Analogue input type | Current 0...5 A Current 0...1 A |
| Measurement voltage | 50…330 V AC 45...65 Hz direct 50…330 V AC 45...65 Hz phase to neutral 80…570 V AC 45...65 Hz direct 80…570 V AC 45...65 Hz phase to phase 570…999000 V AC 45...65 Hz with external VT |
| Frequency measurement range | 45…65 Hz |
| Communication port protocol | Modbus at 9.6...38.4 kbauds |
| Communication port support | RS485 |
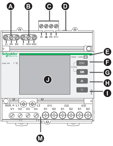
Component description

| Symbol | Description | Present |
|---|---|---|
| A | 2 x Digital Inputs | ✖ |
| B | 2 x Digital Outputs | ✖ |
| C | RS485 Communications Port | ✔ |
| D | Communications LED | ✔ |
| E | Energy Pulse LED (5000 / kWh) | ✔ |
| F | Cancellation | ✔ |
| G | Confirmation | ✔ |
| H | Up | ✔ |
| I | Down | ✔ |
| J | Display | ✔ |
| K | Sealing Points | ✔ |
| L | Sealable Coverss | ✔ |
| M | V1 - V3, Vn, I1 - I3, L1, L2 | ✔ |
For the complete PM3250 documentations refer to the official docs
Screw Description
EXP-SER
P1 - Upper Screw Terminal
| Screw Number | Symbol | Description |
|---|---|---|
| 1 | CTS | Clear to send signal for RS232 |
| 2 | RTS | Request to send signal for RS232 |
| 3 | GND | Isolated ground for the serial and CAN |
| 4 | TX | TX signal for RS232 |
| 5 | RX | RX Signal for RS232 |
P2 - Upper Screw Terminal
| Screw Number | Symbol | Description |
|---|---|---|
| 6 | CANL | CAN Low signal |
| 7 | CANH | CAN High signal |
| 8 | GND | Isolated ground for the serial and CAN |
| 9 | RS485A | RS485 Line A |
| 10 | RS485B | RS485 Line B |
- Isolation: 125V(rms) / 1500V(peak)
- Overvoltage Cat.II / Pollution Deg.II
Switches
Rotary-switches
INT SW: Controls which hardware channel you want to link the interrupt. Present in EXP-SER as SW1.
| Pin | Pin on zBUS | Pin ZM1-DB |
|---|---|---|
| 0 | INTR | D35 |
| 1 | INTB | NC |
| 2 | INTE1 | D46 |
| 3 | INTE2 | D47 |
Dip-switches
EXP-SER
S1 Switch
| Pin | OFF | ON |
|---|---|---|
| 1 | Select SERIAL1 of ZBUS | Select SERIAL2 of ZBUS |
| 2 | - | Use CTS with CAN (MCP2518 Chip Select) |
| 3 | - | Use CTS with RS232 |
IMPORTANT: Never enable together S1.PIN2 and S1.PIN3
S2 Switch
| Pin | OFF | ON |
|---|---|---|
| 1 | - | Enable RS485 termination (120Ω) |
| 2 | Disable RX channel RS485 | Enable RX channel RS485 |
| 3 | - | Enable CAN termination (120Ω) |
